![]() |
|||
- Fabrikant: Center Tech
- Dubbel geflensd
- Dubbel excentrische constructie
- Diameter van DN150 tot DN600
- Montage tussen flenzen conform klantspecificatie
- Temperatuurbereik van -30°C t/m 80°C.
- Gestroomlijnd klepblad
- Industriële coating
- Wisselbare afdichtingsring
- EN12266, API 598
- PED, EN593, QA-System, Module H
- ISO9001:2008
- DNV 2.9 No.5-794.40 (DN40 tot DN600)
- DVGW, DIN EN 13774
- RTN
- VdS (DN40 tot DN400)
- Kettingen
- Field bus besturingen
- Eindschakelaars
- Standsteller
Inzetbaar als afsluiter voor open/dicht applicatie.
- Industrie
- Scheepsbouw
- Drinkwaterinstallaties
- (Petro) chemie
- Procesindustrie
Huis: GGG40.3
Klepblad: Alu/Brons, SS316 + PFA coating
As: SS316
Bussen: Gesinterd brons
Afwerking: Verzinkt en gegalvaniseerd met 2K-Epoxy-coating
Voering: NBR, EPDM, Viton, Hypalon, IIR
| Voering | NBR | EPDM | Viton | Hypalon | IIR |
| Drinkwater | X | X | X | X | |
| Non-aromatische oliën | X | ||||
| Alcohol | X | ||||
| Abrasief medium | X | ||||
| Olie | X | X | X | ||
| Zuren | X | X | X | ||
| Stoom | X | O | O | ||
| Voedingsmiddelen | X | ||||
| Minerale oliën | O | ||||
| Gasolie | X | O | X | ||
| Gasolie met toevoegingen | O | ||||
| Petroleum | O | X | X | ||
| Koolwaterstoffen | X | ||||
| Benzine | |||||
| Oplosmiddelen | X | ||||
| Alkaliën | |||||
| Brandstoffen | |||||
| Chemicaliën | |||||
| LPG | X | ||||
| Vetten | X | ||||
| Esters | O | ||||
| Ketonen | O | ||||
| T max* | -20~80° | -30~120° | -12~180° | -20~135° |
X = Zeer geschikt
O = Niet geschikt
* Temperatuur in graden Celsius. Maximale temperaturen zijn bepaald voor continu gebruik. Deze waarden zijn 20% hoger bij een gebruik van maximaal 2 minuten per uur of 10 minuten per dag.

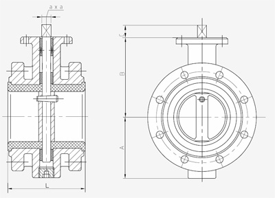
| DN | A | B | C | L | a x a |
| 50 | 83 | 130 | 38 | 108 | 10x10 |
| 65 | 95 | 140 | 38 | 112 | 10x10 |
| 80 | 102 | 145 | 38 | 114 | 10x10 |
| 100 | 124 | 160 | 38 | 127 | 10x10 |
| 125 | 137 | 170 | 38 | 140 | 14x14 |
| 150 | 149 | 190 | 38 | 140 | 14x14 |
| 200 | 181 | 220 | 45 | 152 | 17x17 |
| 250 | 210 | 260 | 45 | 165 | 22x22 |
| 300 | 248 | 290 | 45 | 178 | 22x22 |
| 350 | 279 | 320 | 45 | 190 | |
| 400 | 305 | 350 | 50 | 216 | |
| 450 | 365 | 380 | 50 | 222 | |
| 500 | 371 | 420 | 70 | 229 | |
| 600 | 457 | 470 | 70 | 267 |
* Alle maten in mm.